IGBT is mainly used in the three aspects of electric vehicle motor drive control system, vehicle air conditioning control system and charging pile
VIEW MORE+In the case of using IGBT modules, it is necessary to carefully consider which voltage and current specification IGBT modules to choose.
VIEW MORE+1. HOW TO MEASURE THE QUALITY OF IGBT (1). First Determine The Polarity Before measuring whether the IGBT is good or bad, the polarity of the IGBT must be determined first.
VIEW MORE+We hereby sincerely invite you and your company representatives to join Electronica China 2023 to visit our booth (7.2H E206) at NECC (Shanghai) from July 11 to 13, 2023.
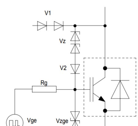
VIEW MORE+Clamping circuits are sometimes used in IGBT drive circuits. The main purpose is to protect IGBT devices and prevent operating parameters from exceeding the limit parameters of the collector or gate. Today we summarize the precautions for the design and use of Vce and Vge clamping circuits.
VIEW MORE+IGBT (Insulated Gate Bipolar Transistor), an insulated gate bipolar transistor, is a composite fully-controlled voltage-driven power semiconductor device composed of BJT (bipolar transistor) and MOS (insulated gate field effect transistor), with both The advantages of both high input impedance of MOSFET and low turn-on voltage drop of GTR.
VIEW MORE+