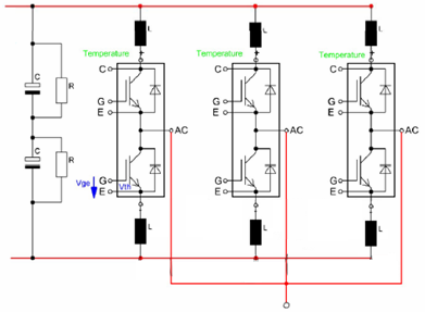
IGBT parallel technology-IGBT current sharing problem
![]()
![]()
Factors affecting static current sharing
1. The resistance component of the DC bus side connection point of the parallel IGBT needs to be as symmetrical as possible;
2. There is a difference between the Vce(sat) of the IGBT chip and the VF of the diode chip, so try to use products from the same batch.
3. The temperature difference between the IGBT modules needs to be considered when designing the mechanical structure and air duct;
4. Differences in magnetic fields where IGBT modules are located;
5. The difference in gate voltage Vge.

Factors affecting dynamic current sharing
1. The difference in the turn-on threshold voltage VGEth of the IGBT module. The higher the VGEth, the later the IGBT turn-on time. Different modules will have differences;
2. The difference in the DC bus stray inductance L of each parallel-connected IGBT module;
3. The difference in gate voltage Vge;
4. Differences in stray inductance in the gate circuit;
5. The difference in temperature of the IGBT module;
6. Differences in the magnetic field where the IGBT module is located.

The influence of IGBT chip temperature on current sharing The temperature of IGBT chip has a great influence on dynamic current sharing performance and static current sharing performance:
1. Due to the positive temperature coefficient characteristics of IGBT's Vcesat, the Vcesat of a chip with a high temperature is higher and will distribute less current. Therefore, a negative feedback is formed, making the static current sharing tend to converge;
2. Based on our experience, we have found that when the chip temperature becomes higher, the performance of dynamic current sharing will also become better; for example, when testing dynamic current sharing, we will use the double pulse test method, but at this time the chip is in a cold state Yes, when the machine is running, the dynamic current balancing will be improved.
The influence of the magnetic field where the IGBT chip is located on current sharing. If there is a strong magnetic field near the IGBT module, the current sharing of the module will be affected.