Don't you understand the triode push-pull circuit?
A push-pull circuit is also called a totem pole circuit. I don't understand how the name of the totem pole came from, but "push-pull" is more vivid.
English is called push-push. Let me say here that push and pull are for current, not voltage.

The circuit is connected to the positive power supply by the NPN transistor, and the negative power supply by the PNP. Connect the bases together so that when a signal comes, only one side will be turned on. First analyze the positive half cycle:

When a positive voltage is applied to the base, the NPN transistor is turned on, and then a current of 1+β times flows through CE, and a signal with the same frequency as the input but with a much larger current is generated at the output.

Entering the negative half cycle, the current flows from right to left, the lower half is turned on, and a larger negative current is generated at the output. In this way, we have realized the amplification function of the AC current signal.
At this point, in fact, the general principle of push-pull current is finished. Here are some simple examples of application scenarios:
Audio power amplifier: Transistor push-pull circuit is often used in audio power amplifier circuit, which can realize the amplification and output of audio signal. In the push-pull circuit, two triodes work alternately, one triode amplifies and outputs the positive half-cycle signal, and the other triode amplifies and outputs the negative half-cycle signal, thus realizing signal amplification and output.
DC motor driver: The triode push-pull circuit can also be used in a DC motor driver, which can realize functions such as forward and reverse rotation and speed regulation of the DC motor. The push-pull circuit can control the speed and direction of the DC motor by controlling the on and off of the two triodes.
AC power supply: The triode push-pull circuit can also be used in the AC power supply, which can realize the voltage regulation and output of the AC power supply. The push-pull circuit can control the size and waveform of the output voltage by controlling the on and off of the two transistors.
Electronic switch: The triode push-pull circuit can also be used as an electronic switch, which can control high voltage and high current switches. In a switching circuit, two triodes work alternately, one triode connects the circuit to a high-voltage, high-current source, and the other triode connects the circuit to ground, thus realizing the switching function.
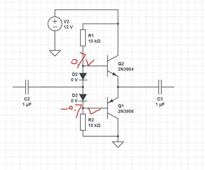
But has anyone thought about such a problem: the conduction of the triode has a certain turn-on voltage, that is, the turn-on voltage between BE, for semiconductor silicon, it is mostly 0.7V. Then when a signal is on What will happen if the fluctuation within the range of ±0.7V?
Yes, in this case the two tubes will not conduct.

This part of the lost area is called crossover distortion. So how to solve this problem?
Smart engineers have already thought of the method:
